티스토리 뷰
2021년에 네이버 블로그에 포스팅한 글
ㅡㅡㅡㅡㅡㅡㅡㅡㅡㅡㅡㅡㅡㅡㅡㅡㅡㅡㅡㅡㅡㅡㅡㅡㅡㅡㅡㅡ
Photodiode에 빛이 들어온 뒤 전하가 어떻게 움직이는지 궁금점이 많았다.

Source : Lecture PPT of Chun Ji min in IDEC
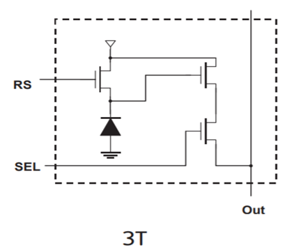
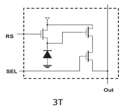
위 그림은 3TR 구조의 하나의 픽셀 회로이다.
작동 방식은 간단하게 아래와 같다.
1. reset TR과 SEL TR 모두 OFF 상태이므로 photodiode는 Floating 상태가 되어 전하가 지속적으로 수집된다.
2. 전하가 수집되면 SEL TR을 ON 상태로 바꿔 화소를 신호선에 연결시킨다.
3. photodiode의 n형의 전압을 sampling한다. (지금의 sampling은 신호를 포함하고 있는 전압이다.)
4. reset TR을 ON-OFF시킨다. 이로써, Photodiode에 쌓인 전하는 빠져나가게되고 photodiode의 n형의 전압이 Vdd가 된다.
5. photodiode의 n형을 전압을 다시 sampling한다. (지금의 sampling은 신호를 포함하고 있지 않은 전압이다.)
- 앞선 두번의 샘플링을 빼주게되면 순수하게 신호 전자에 의한 신호 전압을 추출 할 수 있다.
6. SEL TR을 OFF상태로 바꾸어 화소를 신호선에서 분리시킨다.
7. 이 상태에서 1field를 기다리다가 (1.) 로 되돌아간다.
'전공 > Image sensor' 카테고리의 다른 글
Noise in CMOS image sensor (FPN) (0) | 2023.04.28 |
---|---|
3T와 4T의 타이밍도 (0) | 2023.04.28 |
Quantum Efficiency, Responsivity (0) | 2023.04.28 |
전하 수집, Fill Factor, charge collection efficiency (0) | 2023.04.28 |
빛과 파장 (0) | 2023.04.28 |
공지사항
최근에 올라온 글
최근에 달린 댓글
- Total
- Today
- Yesterday
링크
TAG
- signal-to-noise ratio
- doping concentration
- pixel
- Twisted PD
- ISOCELL HP2
- 4t
- temporal noise
- PDAF
- 한국광학회
- 이온 주입
- 1/f noise
- image sensor
- reverse bias
- Noise
- metamaterial
- conversion gain
- IISW 2019
- 슈퍼 QPD
- Tetra^2 픽셀
- ion implantation
- Auto-focusing
- channeling effect
- SNR 10
- pxiel
- DB hitek
- CIS
- Auto focusing
- quad color filter array
- RTS noise
- Samsung
일 | 월 | 화 | 수 | 목 | 금 | 토 |
---|---|---|---|---|---|---|
1 | 2 | 3 | 4 | |||
5 | 6 | 7 | 8 | 9 | 10 | 11 |
12 | 13 | 14 | 15 | 16 | 17 | 18 |
19 | 20 | 21 | 22 | 23 | 24 | 25 |
26 | 27 | 28 | 29 | 30 | 31 |
글 보관함